1. Produktbeskrivelse
FM-200 / Hfc -227ea
FM-200 er en luktfri, fargeløs, flytende komprimert gass. Den lagres som en væske og dispenseres i faren som en fargeløs, elektrisk ikke-ledende damp som er klar og ikke skjuler synet. Det etterlater ingen rester og har akseptabel toksisitet for bruk i okkuperte rom ved designkonsentrasjon. FM-200 slukker en brann ved en kombinasjon av kjemiske og fysiske mekanismer.
FM-200 gir utmerket brannbeskyttelse i en rekke bruksområder, fra sensitivt elektrisk utstyr til industrielle bruksområder ved hjelp av brannfarlige væsker. FM-200-agent brukes i totalt flom brannslukkingssystemer.
FM-200 virker ikke ved å fortrenge oksygen og er trygt å bruke i okkuperte rom uten frykt for oksygenmangel.
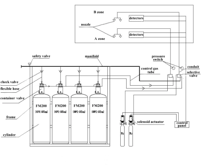
Komponenter i rørnettverk FM200 brannslukkingssystemer
1. Lagringssylinder: Sylinder, beholderventil (med pilotventil, trykkindikator), diprør, etc.
2. Væskekontrollventil: Forsikre deg om en veis strøm av brannslukkingsmiddel, for å forhindre tilbakestrømning.
3. Høytrykksslange: Koble til sylinderventil og væskekontrollventil .
4. Sikkerhetsventil: Montert på manifolden for å avlaste høyere trykk.
5. Valgventil: Før brannslukkingsmiddelet inn i forskjellige distribusjonsrørnettverk.
6. Start av gassflaske: Flaske, beholderventil, elektromagnetisk drivenhet, trykkmåler.
7. Gasskontrollventil: Sikre enveis strømning av startgass, for å forhindre tilbakestrømning.
8. Høy tetningsventil med lav lekkasje: For akkumulert startgassutløsning for å unngå funksjonsfeil i systemet.
9. Utløpsdyse: Montert på enden av rørnettet for å slippe ut brannslukkingsmiddel.
10. Kontrollpanel: Kontrollpanel, røyk- og varmedetektor, brannalarm, utladningsindikatorlampe, etc.
Fordel
* Veldig rask brannslukking. Nå slokkenivået ≤10-tallet.
* Trygt for folk. Folk er trygge når de blir eksponert på FM200 gassutladningsnivå.
* Lav slukningskonsentrasjon. Nesten ingen uklar til syn personlig evakuering.
* Lett å rengjøre. Ingen rester igjen, og minimerer skade på sensitivt utstyr.
* Miljøvennlig. Null ozonnedbrytningspotensial og null globalt oppvarmingspotensial.
* Enkel installasjon, med liten lagringsplass.
2. Arbeidsprinsipp
Nårvalgtasten for kontrollmodus på den automatiske brannalarmen og brannslukningsregulatoren er satt til "auto"-stilling, brannslukkingssystemet er under automatisk kontroll. Når det oppstår brann i beskyttelsesområdet, vil temperatur- og røykvarslerne sende ut et brannsignal gjennom den automatiske brannalarmen og slukkekontrollen Etter logikkanalysen av enheten sender den ut et kombinert lyd- og lysalarmsignal, og sender ut en koblingskommando samtidig for å lukke koblingsenheten. Etter en forsinkelse utstedes en brannslukningskommando, startventilen åpnes for å frigjøre startgassen, og startgassen åpnes gjennom kontrollgassrørledningsventilene og beholderventilene frigjør brannslukningsmiddelet og implementerer brannslukking.
3. Produktparametere
| Vare | Modell | Volum x antall | Kapasitet (FM200) | Arbeidstrykk (20 ºC) | Maksimalt arbeidstrykk (50 ºC) | Aktiver spenning/strøm | Temperaturområde under drift |
| 1 | GMQ4.2/90N-PRI | 90 X 1 | ≤100,8 kg | 4.2Mpa | 5,6 Mpa | LIKE24 V/1,2A | 0ºC-50 ºC |
| 2 | GMQ4.2/120N-PRI | 120 X 1 | ≤134,4 kg | 4.2Mpa | 5,6 Mpa | LIKE24 V/1,2A | 0ºC-50 ºC |
| 3 | GMQ4.2/150N-PRI | 150 X 1 | ≤168 kg | 4.2Mpa | 5,6 Mpa | LIKE24 V/1,2A | 0ºC-50 ºC |
| 4 | GMQ4.2/180N-PRI | 180 X 1 | ≤ 201,6 kg | 4.2Mpa | 5,6 Mpa | LIKE24 V/1,2A | 0ºC-50 ºC |
4. Arbeidsbutikk

5. Produktapplikasjon
MODELL 1 MED SONEVENTIL
MODELL TO UTEN SONEVENTIL
• Bankhvelv
• Biblioteker
• Bestill butikker
• Elektronisk databehandling
• Telefonbytter
• Kommunikasjonssentre • Transformator- og bryterrom
• Kontrollrom
• Testlaboratorier
• Brannfarlig væskelagring
6. Pakking og frakt

9. Kontakt måter


